The Chevrolet Tahoe, produced from 2007 to 2014, is a full-size SUV that is well-regarded for its durability, powerful performance, and ability to accommodate both passengers and cargo with ease. Known for its versatility, the Tahoe from this era is a popular choice for families, outdoor enthusiasts, and those needing a reliable vehicle for towing and long-distance travel. A critical aspect of the Tahoe’s dependability is its electrical system, which is safeguarded and managed by the fuse box and relays.
The fuse box in the 2007-2014 Chevrolet Tahoe plays a vital role in protecting the vehicle’s various electrical circuits. These circuits are responsible for powering key systems such as the engine management, lighting, climate control, infotainment, and power accessories like windows, door locks, and seats. Typically, the Tahoe has two main fuse boxes: one located in the engine compartment and another inside the cabin, often under the dashboard on the driver’s side. The engine compartment fuse box handles high-power systems related to the engine and transmission, while the interior fuse box covers the vehicle’s comfort and convenience features.
Each fuse within these boxes is connected to a specific circuit and is designed to “blow” or break the circuit if there is an overload or a short circuit. This protective measure helps to prevent damage to critical components and avoids potential electrical fires. For instance, if the power windows or the air conditioning system stops working, checking the corresponding fuse would be a necessary first step in troubleshooting.
Relays are another crucial component of the Tahoe’s electrical system. Relays are electrically operated switches that control the power supply to high-current systems like the starter motor, fuel pump, and cooling fans. By allowing these high-demand systems to be managed by lower-power control circuits, relays help prevent electrical overloads and ensure the vehicle operates safely and efficiently. For example, if the cooling fan relay fails, it could lead to engine overheating, or if the starter relay malfunctions, the engine may not start.
Regular inspection and maintenance of the fuse boxes and relays are essential for preventing electrical issues in the Chevrolet Tahoe. A blown fuse or a faulty relay can lead to significant system failures, which can be costly and inconvenient. Replacing these components with the correct specifications is key to restoring the vehicle’s functionality.
Understanding the role of the fuse box and relays in the Chevrolet Tahoe helps owners ensure that their vehicle’s electrical system remains reliable and that all features operate as intended. Proper care of these components contributes to the overall dependability and longevity of the Tahoe, making it a trusted vehicle for both daily use and adventure.
MUST READ: DYI – How to Check Car Fuses?
(2007-2014) Chevrolet Tahoe fuse box and relay with Diagram
WARNING
- Never replace a fuse with one that has a higher amperage rating.
- A fuse with a too-high amperage could damage the electrical part and cause a fire.
- On no account should fuses be repaired (e.g. patched up with tin foil or wire) as this may cause serious damage elsewhere in the electrical circuit or cause a fire.
- If a fuse blows repeatedly, do not keep replacing it. Instead, have the cause for the repeated short circuit or overload tracked and fixed.
- Terminal and harness assignments for individual connectors will vary depending on vehicle equipment level, model, and market.
Chevrolet Tahoe 2007-2014 fuse assignment
- Cigar lighter (power outlet) fuses in the Chevrolet Tahoe are the fuse №. 2 (Rear Accessory Power Outlet), №. 16 (Accessory Power Outlets) in the Instrument panel fuse box and fuse №. 53 (Cigarette Lighter, Auxiliary Power Outlet) in the Engine Compartment Fuse Box.
Year of production: from 2007, 2008, 2009, 2010, 2011, 2012, 2013, 2014
Instrument Panel Fuse Box
Fuse box location

It is located on the driver’s side of the instrument panel, behind the cover.
Fuse box diagram

Assignment of the fuses in the Instrument Panel
| № | Usage |
|---|---|
| 1 | Rear Seats |
| 2 | Rear Accessory Power Outlet |
| 3 | Steering Wheel Controls Backlight |
| 4 | Driver Door Module |
| 5 | Dome Lamps, Driver’s Side Turn Signal |
| 6 | Driver’s Side Turn Signal, Stoplamp |
| 7 | Instrument Panel Back Lighting |
| 8 | Passenger’s Side Turn Signal, Stoplamp |
| 9 | 2007: Body Control Module 2008: Passenger Door Module, Universal Home Remote System 2009-2010: Passenger Door Module, Driver Unlock 2011-2014: Passenger Door Lock2 (Unlock Feature) |
| 10 | Power Door Lock 2 (Unlock Feature) |
| 11 | Power Door Lock 2 (Lock Feature) |
| 12 | Stoplamps, Center-High Mounted Stoplamp |
| 13 | Rear Climate Controls |
| 14 | 2008-2014: Power Mirror |
| 15 | 2007: Passenger Door Module, Universal Home Remote System 2008-2014: Body Control Module (BCM) |
| 16 | Accessory Power Outlets |
| 17 | Interior Lamps |
| 18 | Power Door Lock 1 (Unlock Feature) |
| 19 | 2008-2014: Rear Seat Entertainment |
| 20 | Ultrasonic Rear Parking Assist, Power Liftgate |
| 21 | Power Door Lock 1 (Lock Feature) |
| 22 | 2008-2014: Driver Information Center (DIC) |
| 23 | Rear Wiper |
| 24 | 2007: Not used 2008-2014: Cooled Seats |
| 25 | Driver Seat Module, Remote Keyless Entry System |
| 26 | Driver Power Done Lock (Unlock Feature) |
| Circuit Breaker | |
| LT DR | Driver Side Power Window Circuit Breaker |
| Harness Connector | |
| LT DR | Driver’s Door Harness Connection |
| BODY | Harness Connector |
| BODY | Harness Connector |
Center instrument panel fuse box
It is located underneath the instrument panel, to the left of the steering column.

| Harness Connector | Usage |
|---|---|
| BODY 2 | Body Harness Connector 2 |
| BODY 1 | Body Harness Connector 1 |
| BODY 3 | Body Harness Connector 3 |
| HEADLINER 3 | Headliner Harness Connector 3 |
| HEADLINER 2 | Headliner Harness Connector 2 |
| HEADLINER 1 | Headliner Harness Connector 1 |
| BRAKE CLUTCH | Brake Clutch Harness Connector |
| SEO/UPFITTER | Special Equipment Option Upfitter Harness Connector |
| Circuit Breaker | |
| CB1 | Passenger’s Side Power Window Circuit Breaker |
| CB2 | Passenger’s Seat Circuit Breaker |
| CB3 | Driver’s Seat Circuit Breaker |
| CB4 | Rear Sliding Window |
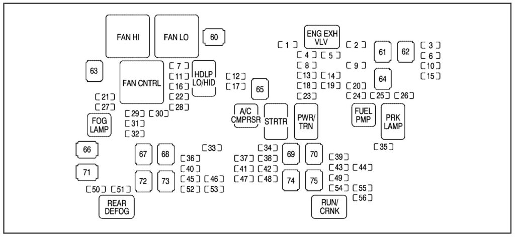
Engine Compartment Fuse Box
Fuse box location

Fuse box diagram (2007)

Assignment of the fuses and relay in the Engine Compartment (2007)
| №/Name | Usage |
|---|---|
| 1 | Not Used |
| 2 | Electronic Stability Suspension Control, Automatic Level Control Exhaust |
| 3 | Left Trailer Stop/Turn Lamp |
| 4 | Engine Controls |
| 5 | Engine Control Module, Throttle Control |
| 6 | Right Trailer Stop/Turn Lamp |
| 7 | Front Washer |
| 8 | Oxygen Sensors |
| 9 | Anti-lock Brakes System 2 |
| 10 | Trailer Back-up Lamps |
| 11 | Driver’s Side Low-Beam Headlamp |
| 12 | Engine Control Module (Battery) |
| 13 | Fuel Injectors, Ignition Coils (Right Side) |
| 14 | Transmission Control Module (Battery) |
| 15 | Vehicle Back-up Lamps |
| 16 | Passenger’s Side Low-Beam Headlamp |
| 17 | Air Conditioning Compressor |
| 18 | Oxygen Sensors |
| 19 | Transmission Controls (Ignition) |
| 20 | Fuel Pump |
| 21 | Not Used |
| 22 | Rear Washer |
| 23 | Fuel Injectors, Ignition Coils (Left Side) |
| 24 | Trailer Park Lamps |
| 25 | Driver’s Side Park Lamps |
| 26 | Passenger’s Side Park Lamps |
| 27 | Fog Lamps |
| 28 | Horn |
| 29 | Passenger’s Side High-Beam Headlamp |
| 30 | Daytime Running Lamps |
| 31 | Driver’s Side High-Beam Headlamp |
| 32 | Not Used |
| 33 | Sunroof, Emergency Roof Lamp |
| 34 | Key Ignition System, Theft Deterrent System |
| 35 | Windshield Wiper |
| 36 | SEO B2 Upfitter Usage (Battery) |
| 37 | Electric Adjustable Pedals |
| 38 | Climate Controls (Battery) |
| 39 | Airbag System (Ignition) |
| 40 | Amplifier |
| 41 | Audio System |
| 42 | Four-Wheel Drive |
| 43 | Miscellaneous (Ignition), Rear Vision Camera, Cruise Control |
| 44 | Liftgate Release |
| 45 | OnStar®, Rear Seat Entertainment Display |
| 46 | Instrument Panel Cluster |
| 47 | Not Used |
| 48 | Not Used |
| 49 | Auxiliary Climate Control (Ignition), Compass-Temperature Mirror |
| 50 | Rear Defogger |
| 51 | Airbag System (Battery) |
| 52 | SEO B1 Upfitter Usage (Battery) |
| 53 | Cigarette Lighter, Auxiliary Power Outlet |
| 54 | Automatic Level Control Compressor Relay, SEO Upfitter Usage |
| 55 | Climate Controls (Ignition) |
| 56 | Engine Control Module, Secondary Fuel Pump (Ignition) |
| J-Case Fuse | |
| 60 | Cooling Fan 1 |
| 61 | Automatic Level Control Compressor |
| 62 | Heavy Duty Anti-lock Brake System |
| 63 | Cooling Fan 2 |
| 64 | Anti-lock Brake System 1 |
| 65 | Starter |
| 66 | Stud 2 (Trailer Brakes) |
| 67 | Left Bussed Electrical Center 1 |
| 68 | Electric Running Boards |
| 69 | Heated Windshield Washer System |
| 70 | Four-Wheel Drive System |
| 71 | Stud 1 (Trailer Connector Battery Power |
| 72 | Mid-Bussed Electrical Center 1 |
| 73 | Climate Control Blower |
| 74 | Power Liftgate Module |
| 75 | Left Bussed Electrical Center 2 |
| Relays | |
| FAN HI | Cooling Fan High Speed |
| FAN LO | Cooling Fan Low Speed |
| ENG EXH VLV | Not Used |
| FAN CNTRL | Cooling Fan Control |
| HDLP LO/HID | Low-Beam Headlamp |
| FOG LAMP | Air Conditioning Compressor |
| STRTR | Starter |
| PWR/TRN | Powertrain |
| FUEL PMP | Fuel Pump |
| PRK LAMP | Parking Lamps |
| REAR DEFOG | Rear Defogger |
| RUN/CRANK | Switched Power |
Fuse box diagram (2008-2014)

Assignment of the fuses and relay in the Engine Compartment (2008-2014)
| №/Name | Usage |
|---|---|
| 1 | Right Trailer Stop/Turn Lamp |
| 2 | Electronic Stability Suspension Control, Automatic Level Control Exhaust |
| 3 | Left Trailer Stop/Turn Lamp |
| 4 | Engine Controls |
| 5 | Engine Control Module, Throttle Control |
| 6 | Trailer Brake Controller / Right Trailer Stop/Turn Lamp |
| 7 | Front Washer |
| 8 | Oxygen Sensors |
| 9 | Anti-lock Brakes System 2 |
| 10 | Trailer Back-up Lamps |
| 11 | Driver’s Side Low-Beam Headlamp |
| 12 | Engine Control Module (Battery) |
| 13 | Fuel Injectors, Ignition Coils (Right Side) |
| 14 | Transmission Control Module (Battery) |
| 15 | Vehicle Back-up Lamps |
| 16 | Passenger’s Side Low-Beam Headlamp |
| 17 | Air Conditioning Compressor |
| 18 | Oxygen Sensors |
| 19 | Transmission Controls (Ignition) |
| 20 | Fuel Pump |
| 21 | Fuel System Control Module |
| 22 | Headlamp Washer |
| 23 | Rear Windshield Washer |
| 24 | Fuel Injectors, Ignition Coils (Left Side) |
| 25 | Trailer Park Lamps |
| 26 | Driver’s Side Park Lamps |
| 27 | Passenger’s Side Park Lamps |
| 28 | Fog Lamps |
| 29 | Horn |
| 30 | Passenger’s Side High-Beam Headlamp |
| 31 | Daytime Running Lamps (DRL) ) (If Equipped) |
| 32 | Driver’s Side High-Beam Headlamp |
| 33 | Daytime Running Lamps 2 (If Equipped) |
| 34 | Sunroof |
| 35 | Key Ignition System, Theft Deterrent System |
| 36 | Windshield Wiper |
| 37 | SEO B2 Upfitter Usage (Battery) |
| 38 | Electric Adjustable Pedals |
| 39 | Climate Controls (Battery) |
| 40 | Airbag System (Ignition) |
| 41 | Amplifier |
| 42 | Audio System |
| 43 | Miscellaneous (Ignition), Cruise Control |
| 44 | Liftgate Release |
| 45 | Airbag System (Battery) |
| 46 | Instrument Panel Cluster |
| 47 | 2008: Power Take-Off 2009-2014: Not Used |
| 48 | 2008: Auxiliary Climate Control (Ignition), Compass-Temperature Mirror 2009-2014: Auxiliary Climate Control (Ignition) |
| 49 | Center High-Mounted Stoplamp (CHMSL) |
| 50 | Rear Defogger |
| 51 | Heated Mirrors |
| 52 | SEO B1 Upfitter Usage (Battery) |
| 53 | Cigarette Lighter, Auxiliary Power Outlet |
| 54 | 2008: Automatic Level Control Compressor Relay, SEO Upfitter Usage 2009-2014: Automatic Level Control Compressor Relay |
| 55 | Climate Controls (Ignition) |
| 56 | Engine Control Module, Secondary Fuel Pump (Ignition) |
| J-Case Fuse | |
| 57 | 2009-2014: Cooling Fan 1 |
| 58 | 2009-2014: Automatic Level Control Compressor |
| 59 | 2009-2014: Heavy Duty Antilock Breaking System |
| 60 | 2008: Cooling Fan 1 2009-2014: Cooling Fan 2 |
| 61 | Antilock Brake System 1 |
| 62 | Starter |
| 63 | Stud 2 (Trailer Brakes) |
| 64 | Left Bussed Electrical Center 1 |
| 65 | Electric Running Boards |
| 66 | Heated Windshield Washer System |
| 67 | 2008: Four-Wheel Drive System 2009-2014: Transfer Casse |
| 68 | Stud 1 (Trailer Connector Battery Power) |
| 69 | Mid-Bussed Electrical Center 1 |
| 70 | Climate Control Blower |
| 71 | Power Liftgate Module |
| 72 | Left Bussed Electrical Center 2 |
| Relays | |
| FAN HI | Cooling Fan High Speed |
| FAN LO | Cooling Fan Low Speed |
| ENG EXH VLV | Not Used |
| FAN CNTRL | Cooling Fan Control |
| HDLP LO/HID | Low-Beam Headlamp |
| FOG LAMP | Air Conditioning Compressor |
| STRTR | Starter |
| PWR/TRN | Powertrain |
| FUEL PMP | Fuel Pump |
| PRK LAMP | Parking Lamps |
| REAR DEFOG | Rear Defogger |
| RUN/CRANK | Switched Power |
Auxiliary Engine Compartment Fuse Block (Hybrid)
The block is located in the engine compartment near the front of the vehicle.

Auxiliary Engine Compartment Fuse Block (Hybrid)
| №/Name | Usage |
|---|---|
| 1 | ACPO |
| 2 | BECM FAN |
| 3 | ACCM |
| 4 | CAB HTR PMP |
| 5 | EMPTY |
| 6 | COOL PUMP |
| 7 | EPS |
| 8 | Drive Motor/Generator Control Module 1 |
| 9 | Drive Motor/Generator Control Module 2 |
| 10 | BECM |
| J-Case fuses | |
| FAN 1 | Cooling Fan 1 |
| TRANS PUMP | Auxiliary Transmission Fluid Pump |
| FAN 2 | Cooling Fan 2 |
| CAB HTR PMP | Cab Heater Pump |
| Relays | |
| FAN LOW | Cooling Fan Low Speed Relay |
| FAN MID 1 | Cooling Fan Mid 1 |
| FAN HI | Cooling Fan High Speed Relay |
| FAN MID 2 | Cooling Fan Mid 2 |
| FAN CNTRL | Cooling Fan Control |
Conclusion
For owners and enthusiasts of classic Chevrolet Tahoe 2007-2014, understanding the fuse box and relay systems is essential for vehicle maintenance. Regular inspection and maintenance of these components helped ensure the vehicle’s longevity and reliability, preserving its status as a symbol of Chevrolet’s craftsmanship and innovation in the automotive industry during that era.