The Chevrolet Avalanche (GMT900) 2007-2013 features a unique combination of a full-size SUV and a pickup truck, with a powerful V8 engine, versatile midgate design, and comfortable seating for up to six passengers. Its towing capacity and flexible cargo space make it ideal for both work and recreation.
The fuse box, located under the hood and inside the cabin, plays a crucial role in protecting the electrical systems such as power windows, headlights, and the infotainment system from electrical surges. If a fuse blows, it disables the respective system to prevent further damage.
The relays manage essential high-power systems like the fuel pump, cooling fans, and starter. These relays act as switches, directing power where needed, allowing the vehicle’s major functions to operate smoothly. A malfunctioning relay can cause issues like engine starting problems or ineffective cooling.
Maintaining the Avalanche’s fuse box and relays ensures reliable performance of its various electrical components, keeping everything from engine functions to cabin features in top working condition.
MUST READ: DYI – How to Check Car Fuses?
(2007-2013) Chevrolet Avalanche (GMT900) fuse box and relay with Diagram
WARNING
- Never replace a fuse with one that has a higher amperage rating.
- A fuse with a too-high amperage could damage the electrical part and cause a fire.
- On no account should fuses be repaired (e.g. patched up with tin foil or wire) as this may cause serious damage elsewhere in the electrical circuit or cause a fire.
- If a fuse blows repeatedly, do not keep replacing it. Instead, have the cause for the repeated short circuit or overload tracked and fixed.
- Terminal and harness assignments for individual connectors will vary depending on vehicle equipment level, model, and market.
Chevrolet Avalanche (GMT900) 2007-2013 fuse assignment
- Cigar lighter (power outlet) fuses in the Chevrolet Avalanche are the fuses №16 “AUX PWR” (Accessory Power Outlets), №2 “AUX PWR2” (Rear Cargo Area Power Outlets) in the Instrument panel fuse box, and fuse №53 in the Engine Compartment Fuse Box.
Year of production: from 2007, 2008, 2009, 2010, 2011, 2012, 2013
Fuse box location
Instrument Panel Fuse Box

It is located on the side of the instrument panel, on the driver’s side, behind the cover.
Center instrument panel fuse box
The center instrument panel utility block is located underneath the instrument panel, to the left of the steering column.
Engine Compartment Fuse Box

Fuse box diagrams
2007
Instrument Panel

Assignment of the fuses in the Instrument Panel (2007)
| Name | Usage |
|---|---|
| LT DR | Driver’s Side Power Window Circuit Breaker |
| REAR SEAT | Rear Seats |
| AUX PWR2 | Rear Cargo Area Power Outlets |
| SWC BKLT | Steering Wheel Controls Backlight |
| DDM | Driver Door Module |
| CTSY | Dome Lamps, Driver’s Side Turn Signal |
| LT STOP TRN | Driver’s Side Turn Signal, Stoplamp |
| DIM | Instrument Panel Back Lighting |
| RT STOP TRN | Passenger’s Side Turn Signal, Stoplamp |
| BCM | Body Control Module |
| UNLCK2 | Power Door Lock 2 (Unlock Feature) |
| LCK2 | Power Door Lock 2 (Lock Feature) |
| STOP LAMPS | Stoplamps, Center-High Mounted Stoplamp |
| REAR HVAC | Rear Climate Controls |
| PDM | Passenger Door Module, Universal Home Remote System |
| AUX PWR | Accessory Power Outlets |
| IS LPS | Interior Lamps |
| UNLCK1 | Power Door Lock 1 (Unlock Feature) |
| OBS DET | Ultrasonic Rear Parking Assist, Power Liftgate |
| LCK1 | Power Door Lock 1 (Lock Feature) |
| REAR WPR | Rear Wiper |
| COOLED SEATS | Not Used |
| DSM | Driver Seat Module, Remote Keyless Entry System |
| Harness connector | |
| LT DR | Driver Door Harness Connection |
| BODY | Harness Connector |
| BODY | Harness Connector |
Center instrument panel box

Center instrument panel fuse box (2007)
| Harness connector | Usage |
|---|---|
| BODY 2 | Body Harness Connector 2 |
| BODY 1 | Body Harness Connector 1 |
| BODY 3 | Body Harness Connector 3 |
| HEADLINER 3 | Headliner Harness Connector 3 |
| HEADLINER 2 | Headliner Harness Connector 2 |
| HEADLINER 1 | Headliner Harness Connector 1 |
| BRAKE CLUTCH | Brake Clutch Harness Connector |
| SEO/UPFITTER | Special Equipment Option Upfitter Harness Connector |
| Circuit breaker: | |
| CB1 | Passenger’s Side Power Window Circuit Breaker |
| CB2 | Passenger’s Seat Circuit Breaker |
| CB3 | Driver’s Seat Circuit Breaker |
| CB4 | Not Used |
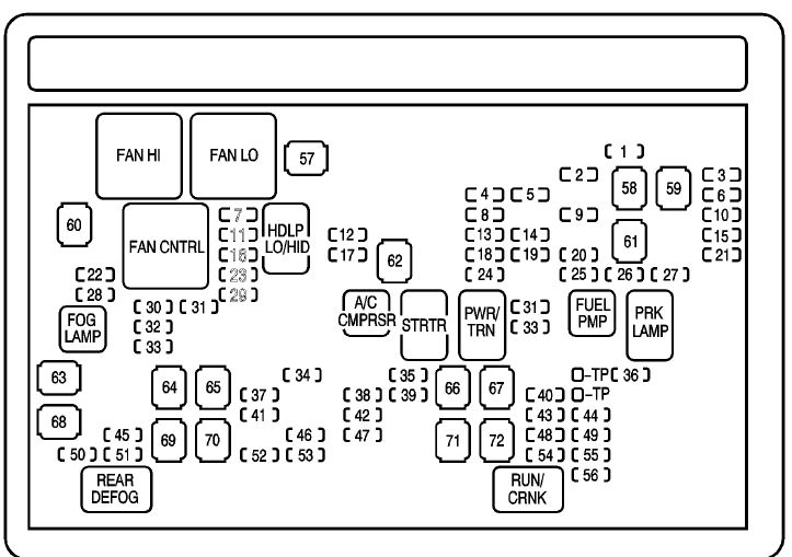
Engine Compartment

Assignment of the fuses and relay in the Engine Compartment (2007)
| № | Usage |
|---|---|
| 1 | Not Used |
| 2 | Electronic Stability Suspension Control, Automatic Level Control Exhaust |
| 3 | Left Trailer Stop/Turn Lamp |
| 4 | Engine Controls |
| 5 | Engine Control Module, Throttle Control |
| 6 | Right Trailer Stop/Turn Lamp |
| 7 | Front Washer |
| 8 | Oxygen Sensors |
| 9 | Antilock Brakes System 2 |
| 10 | Trailer Back-up Lamps |
| 11 | Driver Side Low-Beam Headlamp |
| 12 | Engine Control Module (Battery) |
| 13 | Fuel Injectors, Ignition Coils (Right Side) |
| 14 | Transmission Control Module (Battery) |
| 15 | Vehicle Back-up Lamps |
| 16 | Passenger Side Low-Beam Headlamp |
| 17 | Air Conditioning Compressor |
| 18 | Oxygen Sensors |
| 19 | Transmission Controls (Ignition) |
| 20 | Fuel Pump |
| 21 | Not Used |
| 22 | Rear Washers |
| 23 | Fuel Injectors, Ignition Coils (Left Side) |
| 24 | Trailer Park Lamps |
| 25 | Driver’s Side Park Lamps |
| 26 | Passenger’s Side Park Lamps |
| 27 | Fog Lamps |
| 28 | Horn |
| 29 | Passenger Side High-Beam Headlamp |
| 30 | Daytime Running Lamps |
| 31 | Driver Side High-Beam Headlamp |
| 32 | Not Used |
| 33 | Sunroof |
| 34 | Key Ignition System, Theft Deterrent System |
| 35 | Windshield Wiper |
| 36 | SEO B2 Upfitter Usage (Battery) |
| 37 | Electric Adjustable Pedals |
| 38 | Climate Controls (Battery) |
| 39 | Airbag System (Ignition) |
| 40 | Amplifier |
| 41 | Audio System |
| 42 | Four-Wheel Drive |
| 43 | Miscellaneous (Ignition), Rear Vision Camera, Cruise Contro |
| 44 | Liftgate Release |
| 45 | OnStar®, Rear Seat Entertainment Display |
| 46 | Instrument Panel Cluster |
| 47 | Not Used |
| 48 | Not Used |
| 49 | Auxiliary Climate Control (Ignition), Compass-Temperature Mirror |
| 50 | Rear Defogger |
| 51 | Airbag System (Battery) |
| 52 | SEO B1 Upfitter Usage (Battery) |
| 53 | Cigarette Lighter, Auxiliary Power Outlet |
| 54 | Automatic Level Control Compressor Relay, SEO Upfitter Usage |
| 55 | Climate Controls (Ignition) |
| 56 | Engine Control Module, Secondary Fuel Pump (Ignition) |
| J-Case Fuses | |
| 60 | Cooling Fan 1 |
| 61 | Automatic Level Control Compressor |
| 62 | Heavy Duty Anti-lock Brake System |
| 63 | Cooling Fan 2 |
| 64 | Anti-lock Brake System 1 |
| 65 | Starter |
| 66 | Stud 2 (Trailer Brakes) |
| 67 | Left Bussed Electrical Center 1 |
| 68 | Electric Running Boards |
| 69 | Heated Windshield Washer System |
| 70 | Four-Wheel Drive System |
| 71 | Stud 1 (Trailer Connector Battery Power) |
| 72 | Mid-Bussed Electrical Center 1 |
| 73 | Climate Control Blower |
| 74 | Power Liftgate Module |
| 75 | Left Bussed Electrical Center 2 |
| Relays | |
| FAN HI | Cooling Fan High Speed |
| FAN LO | Cooling Fan Low Speed |
| ENG EXH VLV | Not Used |
| FAN CNTRL | Cooling Fan Control |
| HDLP LO/HID | Low-Beam Headlamp |
| FOG LAMP | Front Fog Lamps |
| A/C CMPRSR | Air Conditioning Compressor |
| STRTR | Starter |
| PWR/TRN | Powertrain |
| FUEL PMP | Fuel Pump |
| PRK LAMP | Parking Lamps |
| REAR DEFOG | Rear Defogger |
| RUN/CRANK | Switched Power |
2008, 2009, 2010
Instrument Panel

Assignment of the fuses in the Instrument Panel (2008-2010)
| № | Usage |
|---|---|
| 1 | Rear Seats |
| 2 | Rear Accessory Power Outlet |
| 3 | Steering Wheel Controls Backlight |
| 4 | Driver Door Module |
| 5 | Dome Lamps, Driver Side Turn Signal |
| 6 | Driver Side Turn Signal, Stoplamp |
| 7 | Instrument Panel Back Lighting |
| 8 | Passenger Side Turn Signal, Stoplamp |
| 9 | 2008: Passenger Door Module, Universal Home Remote System 2009, 2010: Passenger Door Module, Driver Unlock |
| 10 | Power Door Lock 2 (Unlock Feature) |
| 11 | Power Door Lock 2 (Lock Feature) |
| 12 | Stoplamps, Center-High Mounted Stoplamp |
| 13 | Rear Climate Controls |
| 14 | 2008: Not used 2009, 2010: Power Mirror |
| 15 | Body Control Module (BCM) |
| 16 | Accessory Power Outlets |
| 17 | Interior Lamps |
| 18 | Power Door Lock 1 (Unlock Feature) |
| 19 | Rear Seat Entertainment |
| 20 | Ultrasonic Rear Parking Assist, Power Liftgate |
| 21 | Power Door Lock 1 (Lock Feature) |
| 22 | Driver Information Center (DIC) |
| 23 | Rear Wiper |
| 24 | 2008: Not used 2009, 2010: Cooled Seats |
| 25 | Driver Seat Module, Remote Keyless Entry System |
| 26 | 2008: Not used 2009, 2010: Driver Power Door Lock (Unlock Feature) |
| Circuit breaker: | |
| LT DR | 2009, 2010: Driver Side Power Window Circuit Breaker |
| Harness connector: | |
| LT DR | Driver Door Harness Connection |
| BODY | Harness Connector |
| BODY | Harness Connector |
Center instrument panel box

Center instrument panel fuse box (2008-2010)
| Harness connector | Usage |
|---|---|
| BODY 2 | Body Harness Connector 2 |
| BODY 1 | Body Harness Connector 1 |
| BODY 3 | Body Harness Connector 3 |
| HEADLINER 3 | Headliner Harness Connector 3 |
| HEADLINER 2 | Headliner Harness Connector 2 |
| HEADLINER 1 | Headliner Harness Connector 1 |
| SEO/UPFITTER | Special Equipment Option Upfitter Harness Connector |
| Circuit breaker | |
| CB1 | Passenger Side Power Window Circuit Breaker |
| CB2 | Passenger Seat Circuit Breaker |
| CB3 | Driver Seat Circuit Breaker |
| CB4 | Rear Sliding Window |
Engine Compartment

Assignment of the fuses and relay in the Engine Compartment (2008-2010)
| № | Usage |
|---|---|
| 1 | Right Trailer Stop/Turn Lamp |
| 2 | Electronic Stability Suspension Control, Automatic Level Control Exhaust |
| 3 | Left Trailer Stop/Turn Lamp |
| 4 | Engine Controls |
| 5 | Engine Control Module, Throttle Control |
| 6 | Trailer Brake Controller |
| 7 | Front Washer |
| 8 | Oxygen Sensors |
| 9 | Antilock Brakes System 2 |
| 10 | Trailer Back-up Lamps |
| 11 | Driver Side Low-Beam Headlamp |
| 12 | Engine Control Module (Battery) |
| 13 | Fuel Injectors, Ignition Coils (Right Side) |
| 14 | Transmission Control Module (Battery) |
| 15 | Vehicle Back-up Lamps |
| 16 | Passenger Side Low-Beam Headlamp |
| 17 | Air Conditioning Compressor |
| 18 | Oxygen Sensors |
| 19 | Transmission Controls (Ignition) |
| 20 | Fuel Pump |
| 21 | Fuel System Control Module |
| 22 | Headlamp Washers |
| 23 | Rear Windshield Washer |
| 24 | Fuel Injectors, Ignition Coils (Left Side) |
| 25 | Trailer Park Lamps |
| 26 | Driver Side Park Lamps |
| 27 | Passenger Side Park Lamps |
| 28 | Fog Lamps |
| 29 | Horn |
| 30 | Passenger Side High-Beam Headlamp |
| 31 | Daytime Running Lamps |
| 32 | Driver Side High-Beam Headlamp |
| 33 | Daytime Running Lights 2 |
| 34 | Sunroof |
| 35 | Key Ignition System, Theft Deterrent System |
| 36 | Windshield Wiper |
| 37 | SEO B2 Upfitter Usage (Battery) |
| 38 | Electric Adjustable Pedals |
| 39 | Climate Controls (Battery) |
| 40 | Airbag System (Ignition) |
| 41 | Amplifier |
| 42 | Audio System |
| 43 | Miscellaneous (Ignition), Cruise Control |
| 44 | Liftgate Release |
| 45 | Airbag System (Battery) |
| 46 | Instrument Panel Cluster |
| 47 | 2008: Power Take-Off 2009, 2010: Not Used |
| 48 | Auxiliary Climate Control (Ignition) Compass-Temperature Mirror (2008) |
| 49 | Center High-Mounted Stoplamp |
| 50 | Rear Defogger |
| 51 | Heated Mirrors |
| 52 | SEO B1 Upfitter Usage (Battery) |
| 53 | Cigarette Lighter, Auxiliary Power Outlet |
| 54 | Automatic Level Control Compressor Relay, SEO Upfitter Usage |
| 55 | Climate Controls (Ignition) |
| 56 | Engine Control Module, Secondary Fuel Pump (Ignition) |
| J-Case | |
| 57 | Cooling Fan 1 |
| 58 | Automatic Level Control Compressor |
| 59 | Heavy Duty Antilock Brake System |
| 60 | Cooling Fan 2 |
| 61 | Antilock Brake System 1 |
| 62 | Starter |
| 63 | Stud 2 (Trailer Brakes) |
| 64 | Left Bussed Electrical Center 1 |
| 65 | Electric Running Boards |
| 66 | Heated Windshield Washer System |
| 67 | Four-Wheel Drive System |
| 68 | Stud 1 (Trailer Connector Battery Power) |
| 69 | Mid-Bussed Electrical Center 1 |
| 70 | Climate Control Blower |
| 71 | Power Liftgate Module |
| 72 | Left Bussed Electrical Center 2 |
| Relays | |
| FAN HI | Cooling Fan High Speed |
| FAN LO | Cooling Fan Low Speed |
| ENG EXH VLV | Not Used |
| FAN CNTRL | Cooling Fan Control |
| HDLP LO/HID | Low-Beam Headlamp |
| FOG LAMP | Front Fog Lamps |
| A/C CMPRSR | Air Conditioning Compressor |
| STRTR | Starter |
| PWR/TRN | Powertrain |
| FUEL PMP | Fuel Pump |
| PRK LAMP | Parking Lamps |
| REAR DEFOG | Rear Defogger |
| RUN/CRANK | Switched Powe |
2011, 2012, 2013
Instrument Panel

Assignment of the fuses in the Instrument Panel (2011-2013)
| № | Usage |
|---|---|
| 1 | Rear Seats |
| 2 | Rear Accessory Power Outlet |
| 3 | Steering Wheel Controls Backlight |
| 4 | Driver Door Module |
| 5 | Dome Lamps, Driver Side Turn Signal |
| 6 | Driver Side Turn Signal, Stoplamp |
| 7 | Instrument Panel Back Lighting |
| 8 | Passenger Side Turn Signal, Stoplamp |
| 9 | Passenger Door Module, Driver Unlock |
| 10 | Power Door Lock 2 (Unlock Feature) |
| 11 | Power Door Lock 2 (Lock Feature) |
| 12 | Stoplamps, Center-High Mounted Stoplamp |
| 13 | Rear Climate Controls |
| 14 | Power Mirror |
| 15 | Body Control Module (BCM) |
| 16 | Accessory Power Outlets |
| 17 | Interior Lamps |
| 18 | Power Door Lock 1 (Unlock Feature) |
| 19 | Rear Seat Entertainment |
| 20 | Ultrasonic Rear Parking Assist, Power Liftgate |
| 21 | Power Door Lock 1 (Lock Feature) |
| 22 | Driver Information Center (DIC) |
| 23 | Rear Wiper |
| 24 | Cooled Seats |
| 25 | Driver Seat Module, Remote Keyless Entry System |
| 26 | Driver Power Door Lock (Unlock Feature) |
| Circuit breaker | |
| LT DR | Driver Side Power Window Circuit Breaker |
| Harness connector | |
| LT DR | Driver Door Harness Connection |
| BODY | Harness Connector |
| BODY | Harness Connector |
Center instrument panel box

Center instrument panel fuse box (2011-2013)
| Harness connector | Usage |
|---|---|
| BODY 2 | Body Harness Connector 2 |
| BODY 1 | Body Harness Connector 1 |
| BODY 3 | Body Harness Connector 3 |
| HEADLINER 3 | Headliner Harness Connector 3 |
| HEADLINER 2 | Headliner Harness Connector 2 |
| HEADLINER 1 | Headliner Harness Connector 1 |
| SEO/UPFITTER | Special Equipment Option Upfitter Harness Connector |
| Circuit breaker | |
| CB1 | Passenger Side Power Window Circuit Breaker |
| CB2 | Passenger Seat Circuit Breaker |
| CB3 | Driver Seat Circuit Breaker |
| CB4 | Rear Sliding Window |
Engine Compartment

Assignment of the fuses and relay in the Engine Compartment (2011-2013)
| № | Usage |
|---|---|
| 1 | Right Trailer Stop/Turn Lamp |
| 2 | Electronic Stability Suspension Control, Automatic Level Control Exhaust |
| 3 | Left Trailer Stop/Turn Lamp |
| 4 | Engine Controls |
| 5 | Engine Control Module, Throttle Control |
| 6 | Trailer Brake Controller |
| 7 | Front Washer |
| 8 | Oxygen Sensors |
| 9 | Antilock Brakes System 2 |
| 10 | Trailer Back-up Lamps |
| 11 | Driver Side Low-Beam Headlamp |
| 12 | Engine Control Module (Battery) |
| 13 | Fuel Injectors, Ignition Coils (Right Side) |
| 14 | Transmission Control Module (Battery) |
| 15 | Vehicle Back-up Lamps |
| 16 | Passenger Side Low-Beam Headlamp |
| 17 | Air Conditioning Compressor |
| 18 | Oxygen Sensors |
| 19 | Transmission Controls (Ignition) |
| 20 | Fuel Pump |
| 21 | Fuel System Control Module |
| 22 | Headlamp Washers |
| 23 | Rear Windshield Washer |
| 24 | Fuel Injectors, Ignition Coils (Left Side) |
| 25 | Trailer Park Lamps |
| 26 | Driver Side Park Lamps |
| 27 | Passenger Side Park Lamps |
| 28 | Fog Lamps |
| 29 | Horn |
| 30 | Passenger Side High-Beam Headlamp |
| 31 | Daytime Running Lamps (DRL) (If Equipped) |
| 32 | Driver Side High-Beam Headlamp |
| 33 | Daytime Running Lamps 2 (If Equipped) |
| 34 | Sunroof |
| 35 | Key Ignition System, Theft Deterrent System |
| 36 | Windshield Wiper |
| 37 | SEO B2 Upfitter Usage (Battery) |
| 38 | Electric Adjustable Pedals |
| 39 | Climate Controls (Battery) |
| 40 | Airbag System (Ignition) |
| 41 | Amplifier |
| 42 | Audio System |
| 43 | Miscellaneous (Ignition), Cruise Control |
| 44 | Liftgate Release |
| 45 | Airbag System (Battery) |
| 46 | Instrument Panel Cluster |
| 47 | Not Used |
| 48 | Auxiliary Climate Control (Ignition) |
| 49 | Center High-Mounted Stoplamp (CHMSL) |
| 50 | Rear Defogger |
| 51 | Heated Mirrors |
| 52 | SEO B1 Upfitter Usage (Battery) |
| 53 | 2011: Cigarette Lighter, Auxiliary Power Outlet 2012-2013: Auxiliary Power Outlet |
| 54 | Automatic Level Control Compressor Relay |
| 55 | Climate Controls (Ignition) |
| 56 | Engine Control Module, Secondary Fuel Pump (Ignition) |
| J-Case | |
| 57 | Cooling Fan 1 |
| 58 | Automatic Level Control Compressor |
| 59 | Heavy Duty Antilock Brake System |
| 60 | Cooling Fan 2 |
| 61 | Antilock Brake System 1 |
| 62 | Starter |
| 63 | Stud 2 (Trailer Brakes) |
| 64 | Left Bussed Electrical Center 1 |
| 65 | Electric Running Boards |
| 66 | 2011: Heated Windshield Washer System 2012-2013: Not Used |
| 67 | Transfer Case |
| 68 | Stud 1 (Trailer Connector Battery Power) |
| 69 | Mid-Bussed Electrical Center 1 |
| 70 | Climate Control Blower |
| 71 | Power Liftgate Module |
| 72 | Left Bussed Electrical Center 2 |
| Relays | |
| FAN HI | Cooling Fan High Speed |
| FAN LO | Cooling Fan Low Speed |
| FAN CNTRL | Cooling Fan Control |
| HDLP LO/HID | Low-Beam Headlamp |
| FOG LAMP | Front Fog Lamps |
| A/C CMPRSR | Air Conditioning Compressor |
| STRTR | Starter |
| PWR/TRN | Powertrain |
| FUEL PMP | Fuel Pump |
| PRK LAMP | Parking Lamps |
| REAR DEFOG | Rear Defogger |
| RUN/CRANK | Switched Power |
Conclusion
For owners and enthusiasts of classic Chevrolet Avalanche (GMT900) 2007-2013, understanding the fuse box and relay systems is essential for vehicle maintenance. Regular inspection and maintenance of these components helped ensure the vehicle’s longevity and reliability, preserving its status as a symbol of Chevrolet’s craftsmanship and innovation in the automotive industry during that era.